.png)
Электромеханический соленоидный замок со свободным выходом в комплекте с кабелем и ответной пластиной для применения в сплошных дверях
Подробности
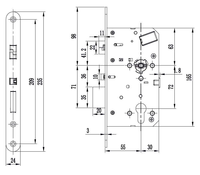
Торцевая планка —24 мм
- 20 мм
- 24 мм
Ответная планка—в комплекте
- в комплекте
Межосевое расстояние—72 мм
- 72 мм
Бексет—55 мм
- 55 мм
- 65 мм
Шток—9 мм
- 9 мм
Артикул:
8011025
51 108,49 руб.*
541,75 €
541,75 €
В корзину
Цена указана с НДС. Курс согласно ЦБ РФ.
Электромеханический замок dk tech DK551 — это идеальное сочетание надежности, функциональности и современной технологии. Он разработан для организации контролируемого доступа в офисные, коммерческие и жилые здания, обеспечивая при этом безопасность и удобство. Его ключевая особенность — функция свободного выхода, позволяющая всегда покинуть помещение изнутри без использования ключа, что соответствует нормам противопожарной безопасности.
Ключевые преимущества:
Функция «Свободный выход»: Нажатие на ручку изнутри всегда разблокирует дверь, обеспечивая безопасную и быструую эвакуацию.
Универсальность питания: Работает от широкого диапазона напряжений 12-24V постоянного тока, что позволяет легко интегрировать его в существующие системы.
Надежная конструкция: Усиленный ригель с двумя вариантами выхода (20 мм прямой и 10 мм двойной) гарантирует высокую степень защиты от взлома.
Комплексный мониторинг: Замок поддерживает снятие всех ключевых сигналов состояния (положение ригеля, нажатие ручки, срабатывание цилиндра), что позволяет легко подключить его к СКУД и системе охранной сигнализации.
Гибкая настройка: Возможность механической и электрической адаптации под любые задачи (смена стороны открывания ручки, выбор режима работы HOLD-ON/HOLD-OFF).
Комплект поставки: электромеханический соленоидный замок DK551, ответная планка, раздельный шток 9 мм, соединительный кабель длиною 10 м, инструкция по подключению.
Гарантия производителя 2 года.
Ключевые преимущества:
Функция «Свободный выход»: Нажатие на ручку изнутри всегда разблокирует дверь, обеспечивая безопасную и быструую эвакуацию.
Универсальность питания: Работает от широкого диапазона напряжений 12-24V постоянного тока, что позволяет легко интегрировать его в существующие системы.
Надежная конструкция: Усиленный ригель с двумя вариантами выхода (20 мм прямой и 10 мм двойной) гарантирует высокую степень защиты от взлома.
Комплексный мониторинг: Замок поддерживает снятие всех ключевых сигналов состояния (положение ригеля, нажатие ручки, срабатывание цилиндра), что позволяет легко подключить его к СКУД и системе охранной сигнализации.
Гибкая настройка: Возможность механической и электрической адаптации под любые задачи (смена стороны открывания ручки, выбор режима работы HOLD-ON/HOLD-OFF).
Комплект поставки: электромеханический соленоидный замок DK551, ответная планка, раздельный шток 9 мм, соединительный кабель длиною 10 м, инструкция по подключению.
Гарантия производителя 2 года.
Параметр | Значение | ||
---|---|---|---|
Рабочее напряжение | 12–24 V DC | ||
Потребляемый ток | Макс.: 600–300 мА, | ||
Рабочая температура | от -20°C до +60°C | ||
Выход ригеля | 20 мм (прямой), 10 мм (двойной) | ||
Бэксет | 55 мм, 65 мм | ||
Межосевое расстояние | 72 мм (цилиндр/ручка) | ||
|
Совместим с лицевыми планками 20 мм и 24 мм |
Класс безопасности | 4 |
Соответствует требованиям ГОСТ 5089 и 52582.

Электромеханические замки dk tech серии DK полностью соответствуют стандартам ГОСТ 5089 и 52582.